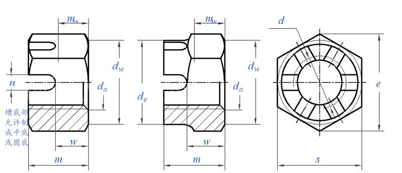
| P |
螺距 |
| 螺距 |
| de |
最大值 |
| 最小值 |
| e |
最小值 |
| m |
最大值 |
| 最小值 |
| n |
最大值 |
| 最小值 |
| s |
最大值 |
| 最小值 |
| w |
最大值 |
| 最小值 |
| da |
最大值 |
| 最小值 |
| dw |
最小值 |
| mw |
最小值 |
| 千件重(钢制)≈kg |
|
| 1 |
1 |
1.5 |
1.5 |
1.5 |
1.5 |
2 |
1.5 |
2 |
2 |
2 |
2 |
3 |
| / |
(1.25) |
(1.25) |
/ |
/ |
/ |
(1.5) |
/ |
/ |
/ |
/ |
/ |
/ |
| / |
/ |
/ |
/ |
/ |
25 |
28 |
30 |
34 |
38 |
42 |
46 |
50 |
| / |
/ |
/ |
/ |
/ |
24.16 |
27.16 |
29.16 |
33 |
37 |
41 |
45 |
49 |
| 14.38 |
17.77 |
20.03 |
23.36 |
26.75 |
29.56 |
32.95 |
37.29 |
39.55 |
45.2 |
50.85 |
55.37 |
60.79 |
| 9.8 |
12.4 |
15.8 |
17.8 |
20.8 |
21.8 |
24 |
27.4 |
29.5 |
31.8 |
34.6 |
37.7 |
40 |
| 9.44 |
11.97 |
15.37 |
17.37 |
20.28 |
20.96 |
23.16 |
26.56 |
28.66 |
30.8 |
33.6 |
36.7 |
39 |
| 3.1 |
3.4 |
4.25 |
4.25 |
5.7 |
5.7 |
5.7 |
6.7 |
6.7 |
6.7 |
8.5 |
8.5 |
8.5 |
| 2.5 |
2.8 |
3.5 |
3.5 |
4.5 |
4.5 |
4.5 |
5.5 |
5.5 |
5.5 |
7 |
7 |
7 |
| 13 |
16 |
18 |
21 |
24 |
27 |
30 |
34 |
36 |
41 |
46 |
50 |
55 |
| 12.73 |
15.73 |
17.73 |
20.67 |
23.67 |
26.16 |
29.16 |
33 |
35 |
40 |
45 |
49 |
53.8 |
| 6.8 |
8.4 |
10.8 |
12.8 |
14.8 |
15.8 |
18 |
19.4 |
21.5 |
23.8 |
25.6 |
28.7 |
31 |
| 6.44 |
8.04 |
10.37 |
12.37 |
14.37 |
15.1 |
17.3 |
18.56 |
20.66 |
22.96 |
24.76 |
27.86 |
30 |
| 8.75 |
10.8 |
13 |
15.1 |
17.3 |
19.5 |
21.6 |
23.7 |
25.9 |
29.1 |
32.4 |
35.6 |
38.9 |
| 8 |
10 |
12 |
14 |
16 |
18 |
20 |
22 |
24 |
27 |
30 |
33 |
36 |
| 11.6 |
14.6 |
16.6 |
19.6 |
22.5 |
24.8 |
27.7 |
31.4 |
33.2 |
38 |
42.7 |
46.6 |
51.1 |
| 5.15 |
6.43 |
8.3 |
9.68 |
11.28 |
12.08 |
13.52 |
14.85 |
16.16 |
18.37 |
19.44 |
22.16 |
23.52 |
| 5.21 |
10.34 |
15.34 |
24.87 |
36.94 |
46.15 |
64.99 |
97.04 |
114.7 |
168.1 |
233.2 |
302 |
394.3 |
|